LIBRARY Home ELECTRICAL Index

Using Relays To Carry The Load

With the headlight relay article out of the way this page will give a bit of assistance in using relays to run a variety of other high load items (such as cooling fans, fuel pumps, aux devices ...)

What this means is that you can control these items with a low power trigger and not have the full load going through the actual switch to the device. The switch simply triggers the relay which then carries the load across its contacts. Much safer and more efficient.


One example of this is the following schematic to use a relay to unload the ignition switch ACC circuit.

Ignition relay application

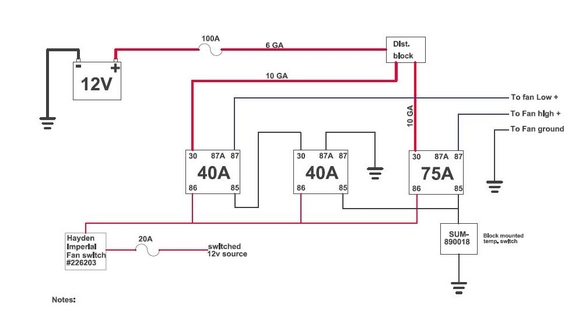
This next schematic is a very common. It uses a relay and a temperature controller to run an electric cooling fan.

Wiring schematic

* Schematic 2 from an article at Ford Muscle webmagazine Here

4 pin relays are pretty common and a few of the choices are listed here.
Bosch 0332014157 | Four seasons 35989 | Sorenson 41-5118 | GM 15515693